경보설비 | 중계기의 형식승인 및 제품검사의 기술기준
|
|||||
|---|---|---|---|---|---|
|
yourweb
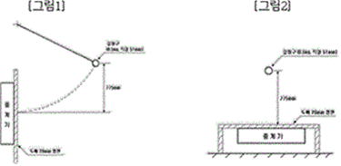
중계기의 형식승인 및 제품검사의 기술기준 [시행 2024. 4. 9.] [소방청고시 제2024-11호, 2024. 4. 9., 일부개정.] 소방청(소방산업과), 044-205-7511 제1조(목 적) 이 기준은 「소방시설 설치 및 관리에 관한 법률」 제37조제5항 및 같은 법률 시행령 제45조에 따른 중계기의 형식승인 및 제품검사의 기술기준에 대하여 규정함을 목적으로 한다.<개정 2012. 2. 9., 2017. 12. 6.> 제2조(용어의 정의) 이 기준에서 사용하는 용어의 정의는 다음과 같다. 1. "경보기구"란 자동화재탐지설비, 비상경보설비의 축전지, 화재속보설비, 누전경보기, 가스누설경보기 등 화재의 발생 또는 화재의 발생이 예상되는 상황에 대하여 경보를 발하여 주는 설비를 말한다. 2. "자동화재탐지설비"란 화재발생을 감지하여 해당 소방대상물의 화재발생을 소방대상물의 관계자에게 통보할 수 있는 설비로서 감지기, 발신기, 수신기, 경종 또는 중계기 등으로 구성된 것을 말한다.<개정 2017. 12. 6.> 3. "중계기"란 감지기 또는 발신기 작동에 의한 신호 또는 가스누설경보기의 탐지부(이하 "탐지부"라 한다)에서 발하여진 가스누설신호를 받아 이를 수신기, 가스누설경보기, 자동소화설비의 제어반, 다른 중계기에 발신하며 소화설비ㆍ제연설비 그밖에 이와 유사한 방재설비에 제어신호를 발신하는 것을 말한다.<개정 2017. 12. 6.> 4. "감지기"란 화재시에 발생하는 열, 불꽃 또는 연소생성물(이하 "연기"라 한다)로 인하여 화재발생을 자동적으로 감지하여 그 자체에 부착된 음향장치로 경보를 발하거나 이를 수신기에 발신하는 것을 말한다. 이 경우 감지기를 부착할 때에 전용기판을 필요로 하는 것에 있어서는 그 기판을 포함한다. 5. "발신기"란 화재발생신호를 수신기에 수동으로 발신하는 것을 말한다. 6. "수신기"란 자동화재탐지설비 중 감지기나 발신기에서 발하는 화재신호 또는 탐지부에서 발하는 가스누설신호를 직접 수신하거나 중계기를 통하여 수신하는 것으로서 소방대상물의 관계자에게 경보를 발하거나 소방관서에 통보하여 주는 장치를 말한다. 7. "경종"이란 경보기구 또는 비상경보설비에 사용하는 벨 등의 음향장치를 말한다. 8. "가스누설경보기"란 가스가 새는 것을 탐지하여 관계자나 이용자에게 경보하여 주는 것을 말한다. 다만, 탐지소자외의 방법에 의하여 가스가 새는 것을 탐지하는 것, 가연성가스외의 가스를 탐지할 목적으로 만들어진 것, 점검용으로 만들어진 휴대용검지기 또는 연동기기에 의하여 경보를 발하는 것은 제외한다. 9. "방폭형"이란 폭발성가스가 용기내부에서 폭발하였을 때 용기가 그 압력에 견디거나 또는 외부의 폭발성가스에 인화될 우려가 없도록 만들어진 형태의 제품을 말한다. 10. "방수형"이란 그 구조가 방수구조로 되어 있는 것을 말한다. 11. "무선식"이란 전파에 의해 신호를 송ㆍ수신하는 방식인 것을 말한다.<신설 2017. 12. 6.> 12. "단선단락 자동검출형"이란 중계기ㆍ감지기(아날로그식 감지기는 제외한다)간 접속 배선의 단선, 중계기ㆍ지구음향장치간 접속 배선의 단선 및 단락을 자동적으로 검출하고 수신기에 해당 신호를 발신하는 것을 말한다. 13. "최대공급부하"란 외부 출력부하에 직접 전력을 공급하는 중계기가 상용전원에서 외부출력 부하에 이상 없이 직류전원을 공급할 수 있고 상용전원이 차단된 경우에는 외부출력 부하에 직류전원을 제조사의 설계시간(이하 "예비전원 최대부하공급시간"이라 한다) 이상 공급할 수 있는 부하를 말한다. 14. 중계기의 설치장소에 따라 "옥내형", "옥내ㆍ옥외형"으로 구분한다. 15. "화재알림형 중계기"란 화재알림형 감지기 또는 발신기 작동에 의한 신호 또는 가스누설경보기의 탐지부(이하 "탐지부"라 한다)에서 발하여진 가스누설신호를 받아 이를 화재알림형 수신기, 가스누설경보기, 자동소화설비의 제어반, 다른 화재알림형 중계기에 발신하며 소화설비ㆍ제연설비 그밖에 이와 유사한 방재설비에 제어신호를 발신하는 것을 말한다. 제3조(구조 및 기능) 중계기의 구조 및 기능은 다음 각 호에 적합하여야 한다. 1. 작동이 확실하고, 취급ㆍ점검이 쉬워야 하며, 현저한 잡음이나 장해전파를 발하지 않아야 한다. 또한 먼지, 습기, 곤충 등에 의하여 기능에 영향을 받지 아니하여야 한다. 2. 보수 및 부속품의 교체가 쉬워야 한다. 다만, 방수형 및 방폭형은 그러하지 아니하다. 3. 부식에 의하여 기계적기능에 영향을 줄 우려가 있는 부분은 칠, 도금 등으로 유효하게 내식가공을 하거나 방청가공을 하여야 하며, 전기적기능에 영향이 있는 단자, 나사 및 와셔(washer) 등은 동합금이나 이와 동등한 수준 이상의 내식성능이 있는 재질을 사용하여야 한다. 4. 외함은 불연성 또는 난연성 재질로 만들어져야 하며 다음과 같아야 한다. 가. 외함은 다음에 기재된 두께이상이어야 한다. 1) 1회선용은 1.0 밀리미터(㎜) 이상 2) 1회선용을 초과하는 것은 1.2 ㎜ 이상 3) 직접 벽면에 접하며 벽 속에 매립되는 외함의 부분은 1.6 ㎜ 이상<개정 2017. 12. 6.> 나. 외함(화재표시창, 지구창, 지도판, 전화기, 조작부수납용뚜껑, 스위치의 손잡이, 발광다이오드, 지시전기계기, 긱종 표시명판 등은 제외한다)에 합성수지를 사용하는 경우에는 섭씨(90 ± 2) 도(℃)의 온도에서 열로 인한 변형이 생기지 않아야 한다. 다. 플라스틱 재료의 난연성 평가(UL94)에서 난연성능이 V-2 이상이어야 한다. 5. 기기 내의 배선은 충분한 전류용량을 갖는 것으로 하여야 하며, 배선의 접속이 정확하고 확실하여야 한다. 6. 극성이 있는 경우에는 오(誤)접속을 방지하기 위하여 필요한 조치를 하여야 한다. 7. 부품의 부착은 기능에 이상을 일으키지 않고 쉽게 풀리지 아니하도록 하여야 한다. 8. 전선 이외의 전류가 흐르는 부분과 가동축부분의 접촉력이 충분하지 않은 곳에는 접촉부의 접촉불량을 방지하기 위한 적당한 조치를 하여야 한다. 9. 외부에서 쉽게 사람이 접촉할 우려가 있는 충전부는 충분히 보호되어야 한다. 10. 정격전압이 60 볼트(V)를 넘는 중계기의 강판 외함에는 접지단자를 설치하여야 한다. 11. 예비전원회로에는 단락사고 등으로부터 보호하기 위한 퓨즈 등 과전류 보호장치를 설치하여야 한다. 12. 내부의 부품 등에서 발생되는 열에 의하여 구조 및 기능에 이상이 생길 우려가 있는 것은 방열판 또는 방열공 등에 의하여 보호조치를 하여야 한다. 다만, 방수형 또는 방폭형인 것은 방열공을 설치하지 않을 수 있다. 13. 방폭형중계기의 방폭구조는 다음 각목의 1에서 정하는 방폭규정에 적합하여야 한다. 가. 한국산업표준<개정 2017. 12. 6.> 나. 산업안전보건법령에 의하여 정하는 규격 다. 가스관계법령(「고압가스 안전관리법」, 「액화석유가스의 안전관리 및 사업법」, 「도시가스사업법」)에 의하여 정하는 규격 14. 수신기, 가스누설경보기의 탐지부, 가스누설경보기의 수신부, 자동소화설비의 제어반 또는 다른 중계기 등(이하 "수신기ㆍ제어반등"이라 한다)으로부터 전력을 공급받는 방식인 중계기는 다음 각 목에 적합하여야 한다. 가. 중계기로부터 외부부하에 직접 전력을 공급하는 각각의 회로에는 퓨즈 또는 브레이커 등을 설치하여 전력 공급 중 퓨즈가 녹아 끊어지거나 브레이커 등이 차단되는 경우에는 자동적으로 수신기에 퓨즈의 끊어짐이나 브레이커의 차단 등에 대한 신호를 보낼 수 있어야 하며 차단 후 차단된 회선 이외의 다른 회선에 영향을 미치지 않아야 한다. 다만, 단선단락 자동검출형 중계기인 경우에는 퓨즈 또는 브레이커 등을 설치하지 않을 수 있다. 나. 지구음향장치를 울리게 하는 것은 수신기에서 조작하는 경우를 제외하고는 울림을 계속할 수 있어야 한다. 다. 화재신호에 영향을 줄 염려가 있는 조작부를 설치하지 않아야 한다. 15. 수신기ㆍ제어반등으로부터 전력을 공급받지 않는 방식인 중계기는 제14호 나목 및 다목과 다음 각 목에 적합하여야 한다. 다만, 주전원이 건전지인 무선식 중계기는 제외한다.<개정 2017. 12. 6.> 가. 전원입력회로 및 외부부하에 직접 전력을 공급하는 각각의 회로에는 퓨즈 또는 브레이커 등을 설치하여 전력을 공급 중 주전원의 정지, 퓨즈의 끊어짐, 브레이커의 차단 등에 대한 신호를 보낼 수 있어야 하며 차단 후 차단된 회선 이외의 다른 회선에 영향을 미치지 아니하여야 한다. 다만, 단선단락 자동검출형 중계기인 경우에는 외부부하에 직접 전력을 공급하는 각각의 회로에 퓨즈 또는 브레이커 등을 설치하지 아니할 수 있다. 나. 내부에 예비전원이 있어야 한다. 다만, 방화상 유효한 조치를 마련한 것은 그러하지 아니하다. 다. 중계기는 최대부하에 연속하여 견딜 수 있는 용량을 가져야 한다. 라. 주전원이 정지한 경우에는 자동적으로 예비전원으로 전환되고, 주전원이 정상상태로 복귀한 경우에는 예비전원으로부터 주전원으로 전환되는 장치가 설치되어야 한다. 마. 정류기의 직류측에 자동복귀형스위치를 설치하고 그 스위치의 조작에 의하여 전류가 흐르도록 부하를 가하는 경우 그 단자전압을 측정할 수 있는 장치를 설치하거나 예비전원의 저전압(제조사 설계 값을 말한다) 상태를 자동적으로 확인할 수 있는 장치를 설치하여야 한다.<개정 2017. 12. 6.> 바. 내부에 주전원의 양극을 동시에 개폐할 수 있는 전원스위치를 설치할 수 있다.<개정 2017. 12. 6.> 16. 수신개시로부터 발신개시까지의 시간이 5초 이내이어야 한다. 17. 수신기ㆍ제어반등으로부터 전력을 공급받지 않는 방식인 중계기 중 주전원이 건전지인 무선식 중계기의 경우 다음 각 목에 적합하여야 한다.<신설 2017. 12. 6.> 가. 중계기로부터 외부부하에 직접 전력을 공급하는 각각의 회로에는 퓨즈 또는 브레이커 등을 설치하여 전력 공급 중 퓨즈가 녹아 끊어지거나 브레이커 등이 차단되는 경우에는 자동적으로 수신기에 퓨즈의 끊어짐이나 브레이커의 차단 등에 대한 신호를 보낼 수 있어야 하며 차단 후 차단된 회선 이외의 다른 회선에 영향을 미치지 아니하여야 한다. 다만, 단선단락 자동검출형 중계기인 경우에는 퓨즈 또는 브레이커 등을 설치하지 아니할 수 있다. 나. 중계기는 최대부하에 연속하여 견딜 수 있는 용량을 가져야 한다. 다. 화재신호에 영향을 줄 염려가 있는 조작부를 설치하지 않아야 한다. 라. 회선별 접속 가능한 감지기ㆍ탐지부ㆍ중계기를 접속하는 경우 기능에 이상이 생기지 아니하여야 한다. 18. 예비전원은 다음 각 목에 적합하게 설치하여야 한다.<신설 2017. 12. 6.> 가. 중계기의 주전원으로 사용해서는 안 된다. 나. 인출선은 적당한 색깔에 의하여 쉽게 구분할 수 있어야 한다. 다. 중계기의 예비전원은 원통밀폐형 니켈카드뮴축전지 또는 무보수밀폐형 연축전지로서 그 용량은 감시상태를 60분간 계속한 후, 자동화재탐지설비용은 최대소비전류로 10분간 계속 흘릴 수 있는 용량 가스누설경보기용은 가스누설경보기의 기준에 규정된 용량, GP형, GP형복합식, GR형, GR형복합식의 수신기에 사용되는 중계기는 각각 그 용량을 합한 용량이어야 한다. 라. 자동충전장치 및 전기적기구에 의한 자동과충전방지장치를 설치하여야 한다. 다만, 과충전상태가 되어도 성능 또는 구조에 이상이 생기지 않는 축전지를 설치하는 경우에는 자동과충전방지장치를 설치하지 않을 수 있다. 마. 전기적 기구에 의한 자동과방전방지장치를 설치하여야 한다. 다만, 과방전의 우려가 없는 경우 또는 과방전의 상태가 되어도 성능이나 구조에 이상이 생기지 않는 축전지를 설치하는 경우에는 그러하지 아니하다. 바. 예비전원을 병렬로 접속하는 경우는 역충전 방지 등의 조치를 마련하여야 한다. 19. 무선식 중계기 중 배선에 의해 화재신호 또는 화재 정보신호 등을 수신하여 수신기ㆍ다른 중계기 등에 해당 신호를 무선으로 발신하는 것은 작동표시장치를 설치하여야 한다.<신설 2017. 12. 6.> 19의2. 무선식 중계기 중 전파에 의해 경보작동신호를 수신하여 경종ㆍ시각경보장치ㆍ다른 중계기 등에 해당신호를 배선에 의해 발신하는 것은 작동표시장치를 설치하여야 한다. 20. 무선식 중계기는 다음 각 목에 적합하여야 한다.<신설 2017. 12. 6.> 가. 전파에 의한 감지기ㆍ중계기ㆍ수신기ㆍ발신기간의 화재신호ㆍ화재정보신호 및 경종ㆍ시각경보장치ㆍ중계기ㆍ수신기간의 경보작동신호는「신고하지 아니하고 개설할 수 있는 무선국용 무선설비의 기술기준」 제7조(특정소출력무선국용 무선설비)제3항의 「도난, 화재경보장치 등의 안전시스템용 주파수」를 적용하여야 한다. 나. 「전파법」 제58조의2(방송통신기자재등의 적합성평가)에 적합하여야 한다. 21. 감지기의 입력부에 감시상태의 전류(감지기 입력부의 회로별 감시전류 설계 범위값을 말한다)를 부하를 통해 가하는 경우 기능에 이상이 생기지 않아야 한다. 22. 중계기의 외부 인출선 또는 외부 전선 접속 단자가 있는 경우에는 외부 인출선 또는 단자에 접속되는 전선을 44.5 N의 힘으로 1분 동안 당기는 경우 견딜 수 있는 구조이어야 하고, 그 응력이 중계기 내부로 전달되어 연결을 파손시키거나 다른 부품에 영향을 주지 아니하여야 한다. 23. 아날로그식 감지기 또는 주소형 감지기를 중계기의 입력부에 접속하는 중계기는 아날로그식 감지기와 중계기간 또는 주소형 감지기와 중계기간 접속배선의 단선ㆍ단락을 수신기에서 확인이 가능한 구조이어야 한다. 이 경우 단선 또는 단락으로 인해 다른 배선 접속회로의 기능에 영향을 미치지 아니하여야 한다. 24. 단선 또는 단락을 자동 검출하는 중계기는 중계기와 감지기(아날로그식 감지기 또는 주소형감지기는 제외한다)간 접속배선의 단선, 중계기와 지구음향장치간 접속배선의 단선ㆍ단락을 수신기에서 확인이 가능한 구조이어야 한다. 이 경우 단선 또는 단락으로 인해 다른 배선 접속회로에 영향을 미치지 아니하여야 한다. 제3조의2(무선식 중계기의 기능) ① 무선식 중계기 중 전파에 의해 화재신호 또는 화재 정보신호 등을 수신하여 수신기ㆍ다른 중계기 등에 해당 신호를 배선 또는 전파에 의해 발신하는 것은 다음 각 호에 적합하여야 한다..<신설 2017. 12. 6.> 1. 「감지기의 형식승인 및 제품검사의 기술기준」제5조의4제2항제1호가목, 「발신기의 형식승인 및 제품검사의 기술기준」제4조의3제1항에 의해 발신된 작동신호를 수신기에 중계 전송하여야 한다. 2. 「수신기 형식승인 및 제품검사의 기술기준」제15조의2제1항의 수동 복귀스위치에 의한 복귀 신호를 수신 하는 경우 무선식감지기 또는 다른 중계기에 복귀신호를 중계 전송하여야 한다. 3. 「수신기 형식승인 및 제품검사의 기술기준」제17조제6호가목 및 나목에 의한 무선통신 점검신호를 수신하는 경우 무선식 감지기, 무선식 발신기 또는 다른 중계기에 점검신호를 중계 전송하여야 하며「감지기의 형식승인 및 제품검사의 기술기준」제5조4제2항제2호, 「발신기의 형식승인 및 제품검사의 기술기준」제4조의3제2항에 의한 확인신호를 수신하는 경우 무선식 수신기 또는 무선식 중계기에 자동으로 해당 확인신호를 중계 전송하여야 한다. 4. 「감지기의 형식승인 및 제품검사의 기술기준」제5조의4제2항제2의2호, 「발신기의 형식승인 및 제품검사의 기술기준」제4조의3제4항제1호ㆍ제2호에 의해 발신된 통신점검신호 및 재확인신호를 수신기 또는 다른 중계기(이하 "무선식수신기등"으로 한다)에 중계 전송하여야 하며 「수신기 형식승인 및 제품검사의 기술기준」제17조제6호다목에 의한 통신점검 확인신호를 무선식 감지기, 무선식 발신기 또는 다른 중계기에 중계 전송하여야 한다. ② 무선식 중계기 중 배선에 의해 화재신호 또는 화재 정보신호 등을 수신하여 수신기ㆍ다른 중계기 등에 해당 신호를 무선으로 발신하는 것은 다음 각 호에 적합하여야 한다.<신설 2017. 12. 6.> 1. 감지기, 발신기에 의해 발신된 작동신호를 수신한 중계기는 화재신호를 수신기 또는 다른 중계기에 60초 이내 주기마다 중계 전송하여야 한다. 2. 작동한 중계기는 「수신기 형식승인 및 제품검사의 기술기준」제15조의2제1항의 수동 복귀스위치에 의한 복귀 신호를 수신하는 경우 작동표시장치의 작동표시는 복귀되어야 하고 감지기 또는 다른 중계기에 복귀신호를 중계 전송하여야 한다. 3. 「수신기 형식승인 및 제품검사의 기술기준」제17조제6호가목 및 나목에 의한 무선통신 점검신호를 수신하는 경우 무선식 수신기 또는 무선식 중계기에 자동으로 확인신호를 발신하여야 한다. 4. 「수신기 형식승인 및 제품검사의 기술기준」제17조제2의2호의 장치에 의한 신호를 수신하는 경우 배선별 도통상태를 무선식 수신기에 발신하여야 한다. ③ 무선식 중계기 중 건전지를 주전원으로 하는 중계기는 다음 각 호에 적합하여야 한다.<신설 2017. 12. 6.> 1. 건전지는 리튬전지 또는 이와 동등한 수준 이상의 지속적인 사용이 가능한 성능의 것이어야 하며, 건전지의 용량산정 시에는 다음 각 목의 사항이 고려되어야 한다. 가. 감시상태의 소비전류 나. 수신기의 수동 통신점검에 따른 소비전류 다. 수신기의 자동 통신점검에 따른 소비전류 라. 건전지의 자연방전전류 마. 건전지 교체 표시에 따른 소비전류 바. 부가장치가 설치된 경우에는 부가장치의 작동에 따른 소비전류 사. 그 밖의 전류를 소모하는 기능에 대한 소비전류 아. 안전 여유율 2. 건전지의 성능이 저하되어 건전지의 교체가 필요한 경우에는 무선식 수신기에 자동적으로 해당 신호를 발신하여야 하고 표시등에 의하여 72시간 이상 표시하여야 한다. ④ 무선식 중계기 중 배선 또는 전파에 의해 경보작동신호를 수신하여 경종ㆍ시각경보장치ㆍ다른 중계기 등에 해당 신호를 전파에 의해 발신하는 것은 다음 각 호에 적합하여야 한다. 1. 전파에 의해 경보작동신호를 수신하는 중계기는 「수신기의 형식승인 및 제품검사의 기술기준」 제15조의2제5항에 의해 발신된 경보작동신호를 경종ㆍ시각경보장치ㆍ다른 중계기 등에 중계 전송하여야 한다. 2. 배선에 의해 경보작동신호를 수신한 중계기는 경보작동신호를 경종ㆍ시각경보장치 또는 다른 중계기에 60초 이내 주기마다 중계 전송하여야 한다. 3. 「수신기 형식승인 및 제품검사의 기술기준」 제15조의2제1항의 수동 복귀스위치에 의한 복귀 신호를 수신하는 경우 경종ㆍ시각경보장치ㆍ다른 중계기 등에 복귀신호를 중계 전송하여야 한다. 4. 「수신기 형식승인 및 제품검사의 기술기준」 제17조제6호가목 및 나목에 의한 무선통신 점검신호를 수신하는 경우 경종ㆍ시각경보장치ㆍ다른 중계기 등에 점검신호를 중계 전송하여야 하며, 「경종의 형식승인 및 제품검사의 기술기준」 제3조의3제3항, 「시각경보장치의 성능인증 및 제품검사의 기술기준」 제4조제2항제1호에 의한 확인신호를 수신하는 경우 수신기 또는 다른 중계기에 자동으로 해당 확인신호를 중계 전송하여야 한다. 5. 「경종의 형식승인 및 제품검사의 기술기준」제3조의3제5항제1호ㆍ제2호, 「시각경보장치의 성능인증 및 제품검사의 기술기준」제4조제2항제5호가목ㆍ나목에 의해 발신된 통신점검신호 및 재확인신호를 무선식수신기등에 중계 전송하여야 하며 「수신기 형식승인 및 제품검사의 기술기준」제17조제6호다목에 의한 통신점검 확인신호를 무선식 경종, 무선식 시각경보장치 또는 다른 중계기에 중계 전송하여야 한다. ⑤ 무선식 중계기 중 전파에 의해 경보작동신호 등을 수신하여 경종ㆍ시각경보장치ㆍ다른 중계기 등에 해당 신호를 배선에 의해 발신하는 것은 다음 각 호에 적합하여야 한다.<신설 2023. 00. 00.> 1. 「수신기의 형식승인 및 제품검사의 기술기준」제15조의2제5항에 의해 발신된 경보작동신호를 경종ㆍ시각경보장치ㆍ다른 중계기 등에 중계 전송하여야 한다. 2. 작동한 중계기는 「수신기 형식승인 및 제품검사의 기술기준」 제15조의2제1항의 수동 복귀스위치에 의한 복귀 신호를 수신하는 경우 작동표시장치의 작동표시는 복귀되어야 하고 경종ㆍ시각경보장치 또는 다른 중계기에 복귀신호를 중계 전송하여야 한다. 3. 「수신기 형식승인 및 제품검사의 기술기준」 제17조제6호가목 및 나목에 의한 무선통신 점검신호를 수신하는 경우 수신기ㆍ중계기에 자동으로 확인신호를 발신하여야 한다. ⑥ 무선식수신기등에 통신점검 신호를 발신하는 중계기는 다음 각 목에 적합한 통신점검 시험장치를 설치하여야 한다. 1. 자동적으로 무선식수신기등에 24시간 이내 주기마다 통신점검신호를 발신할 수 있는 장치가 있어야 한다. 2. 「수신기 형식승인 및 제품검사의 기술기준」 제17조제6호다목에 의한 통신점검 확인신호를 수신하는 경우 자동적으로 무선식수신기등에 자동적으로 재확인신호를 발신하여야 한다. 3. 제1호의 통신점검 신호 발신 후 200초 이내에 「수신기 형식승인 및 제품검사의 기술기준」제17조제6호다목에 의한 통신점검 확인신호를 수신하지 않은 경우 고장표시등이 점등 또는 점멸되어야 한다. 제4조(부품의 구조 및 기능) 중계기에 다음 각 호의 부품을 사용하는 경우 해당 각 호의 규정에 적합하거나 이와 동등한 수준이상의 성능이 있는 것이어야 한다. 1. 스위치 가. 조작이 쉽고 작동이 확실하여야 하며, 정지점이 명확하고 적정하여야 한다. 나. 삭제 다. 삭제 라. 눕혀서 끊어지는 형의 스위치(수은스위치 등)를 사용할 경우에는 정위치에 복귀시키는 것을 잊지 아니하도록 알려주는 적당한 장치를 하여야 한다. 2. 표시등 가. 삭제 나. 삭제 다. 전구는 2개 이상을 병렬로 접속하여야 한다. 다만, 방전등 또는 발광다이오드의 경우에는 그러하지 아니하다. 라. 전구에는 적당한 보호덮개를 설치하여야 한다. 다만, 발광다이오드의 경우에는 그러하지 아니하다. 마. 화재의 발생을 표시하는 표시등(이하 "화재등"이라 한다)은 등이 켜질 때 적색으로 표시되어야 하며, 화재가 발생한 경계구역의 위치를 표시하는 표시등(이하 "지구등"이라 한다)과 그 밖의 표시등은 다음과 같아야 한다. 1) 지구등은 적색으로 표시되어야 한다. 이 경우 화재등이 설치된 중계기의 지구등은 적색외의 색으로도 표시할 수 있다. 2) 그 밖의 표시등은 적색외의 색으로 표시되어야 한다. 다만, 화재등 및 지구등과 쉽게 구별할 수 있도록 부착된 그 밖의 표시등은 적색으로도 표시할 수 있다. 바. 주위의 밝기가 300 룩스(㏓)인 장소에서 측정하여 앞면으로부터 3 미터(m) 떨어진 곳에서 켜진등이 확실히 식별되어야 한다. 3. 전자계전기 가. 삭제 나. 삭제 다. 삭제 라. 접점의 사용은 다음과 같이 하여야 한다. 1) 지구음향장치용 접점 또는 지구표시장치용 접점은 보호계전기에 접속하여 사용하는 경우를 제외하고는 다른 용도로 사용할 수 없도록 하여야 한다. 2) 동일접점에서 동시에 내부부하와 외부부하에 직접 전력을 공급하지 아니하도록 하여야 한다. 4. 전압 지시전기계기의 최대눈금은 사용하는 회로의 정격전압의 140 퍼센트(%)이상 200 퍼센트(%) 이하이어야 한다. 5. 퓨즈 등 가. 퓨즈 등 과전류 보호장치는 「산업표준화법」에 의한 KS제품인증표시품, 「전기용품 및 생활용품 안전관리법」에 의한 전기용품 또는 국제적 공인기관으로부터 인증을 받은 제품을 사용하여야 한다.<개정 2017. 12. 6.> 나. 점검 및 교체가 쉬워야 한다. 다. 쉽게 흔들리지 아니하도록 부착되어야 한다. 라. 가목 및 나목에도 불구하고 과전류 보호장치로 자체 복원력에 의한 재용성이 있는 폴리스위치 등을 사용하는 경우에는 그러하지 아니하다. 6. 경보기구에 내장하는 음향장치 가. 사용전압의 80 %인 전압에서 소리를 내어야 한다. 나. 사용전압에서의 음압은 무향실내에서 정위치에 부착된 음향장치의 중심으로부터 1 m 떨어진 지점에서 주음향장치용인 것은 90 데시벨(㏈) 이상이어야 한다. 다만, 전화용부저 및 고장표시 장치용 등의 음압은 60 ㏈ 이상이어야 한다. 다. 사용전압으로 8시간 연속하여 울리게 하는 시험, 또는 정격전압에서 3분20초 동안 울리고 6분40초 동안 정지하는 작동을 반복하여 합산한 울림시간이 20시간이 되도록 시험하는 경우 그 구조 또는 기능에 이상이 생기지 않아야 한다. 7. 예비전원 사. 축전지를 직렬 또는 병렬로 사용하는 경우에는 용량(전압, 전류)이 균일한 축전지를 사용하여야 한다. 아. 축전지의 충전시험 및 방전시험은 방전종지전압을 기준으로 시작한다. 이 경우 방전종지전압이라 함은 원통형니켈카드뮴축전지는 셀당 1.0 V의 상태를, 무보수밀폐형연축전지는 단전지당 1.75 V의 상태를 말한다. 자. 원통형니켈카드뮴축전지의 상온 충ㆍ방전시험은 방전종지전압 상태의 축전지를 상온에서 1/20 쿨롬(C)의 전류로 48시간 충전하고, 무보수밀폐형연축전지의 상온 충ㆍ방전시험은 축전지를 방전종지전압까지 방전시킨 다음 0.1 C로 48시간 충전하여, 1 C의 전류로 방전시킬 때 니켈카드뮴축전지는 48분 이상, 연축전지는 45분 이상 지속방전되어야 한다. 차. 원통형니켈카드뮴축전지의 주위온도 충ㆍ방전시험은 방전종지전압 상태의 축전지를 주위온도 -(10 ± 2) ℃ 및 (50 ± 2) ℃의 조건에서 1/20 C의 전류로 48시간 충전한 다음 1 C로 방전하는 충방전을 3회 반복하는 경우 방전종지전압이 되는 시간이 25분 이상이어야 하며 외관이 부풀어오르거나 누액 등이 생기지 않아야 한다. 카. 무보수밀폐형연축전지의 주위온도 충ㆍ방전시험은 방전종지전압 상태의 축전지를 주위온도 -(10 ± 2) ℃ 및 (50 ± 2) ℃의 조건에서 0.1 C로 48시간 충전한 다음 1시간 방치하여 0.05 C로 방전시킬 때 정격용량의 95% 용량이 되는 시간이 30분 이상이어야 한다. 타. 예비전원의 안전장치시험은 1/5 C이상 1 C이하의 전류로 역충전하는 경우 5시간 이내에 안전장치가 작동하여야 하며, 외관이 부풀어오르거나 누액 등이 없어야 한다. 8. 삭제 9. 송수화기는 확실히 작동할 수 있어야 하며, 내구성이 있는 것이어야 한다. 10. 삭제 제5조(전원전압변동시의 기능) 중계기는 전원전압이 정격전압의 ±20 % 범위에서 변동하는 경우 기능에 이상이 생기지 않아야 한다. 다만, 중계기에 내장된 건전지를 전원으로 하는 중계기는 건전지의 전압이 건전지 교체전압 범위(제조사 설계값을 말한다)의 하한값으로 낮아진 경우에도 기능에 이상이 없어야 한다.<개정 2017. 12. 6.> 제6조(회로방식의 제한) 중계기는 다음 각 호의 회로방식을 사용하지 않아야 한다. 1. 접지전극에 직류전류를 통하는 회로방식 2. 중계기에 연결되는 외부배선과 다른 설비의 외부배선을 공용하는 회로방식, 다만, 화재신호, 가스누설신호 및 제어신호의 전달에 영향을 미치지 않는 것은 제외한다. 제7조(부속장치) 중계기의 기능에 유해한 영향을 주는 부속장치는 설치하지 않아야 한다. 제8조(시험조건) 중계기의 시험은 특별히 규정된 경우를 제외하고는 실온이 5 ℃이상 35 ℃이하이고, 상대습도가 45 %이상 85 %이하의 상태에서 실시한다. 제9조(주위온도시험) 중계기는 -(10 ± 2) ℃에서 (50 ± 2) ℃ 범위의 주위온도에서 기능에 이상이 생기지 아니하여야 한다. 제10조(반복시험) 중계기는 정격전압에서 정격전류를 흘리고 2천회의 작동을 반복하는 시험을 하는 경우 그 구조 또는 기능에 이상이 생기지 아니하여야 한다. 제11조(살수시험) 옥내ㆍ옥외형 중계기(방수형은 제외한다)를 사용상태로 부착하고 다음 각 호의 시험을 실시하는 경우 내부에 물이 고이지 않아야 하며, 기능 및 절연저항시험에 이상이 생기지 아니하여야 한다. 1. 맑은 물을 34.5 킬로파스칼(kPa)의 압력으로 세 개의 분무헤드를 이용하여 전면 위쪽 (45 ± 2)° 각도의 방향에서 시료를 향하여 일률적으로 1시간 동안 물을 분사하는 시험 2. 맑은 물을 138 kPa의 압력으로 분무헤드를 이용하여 전면 아래쪽 (45 ± 2)° 각도의 방향에서 시료를 향하여 일률적으로 1시간 동안 물을 분사하는 시험 제11조의2(방수시험) 방수형 중계기는 (23 ± 2) ℃, 상대습도 (50 ± 2) %의 상태에 24시간 방치한 후 (23 ± 2) ℃의 맑은 물에 48시간 담그는 경우 내부에 물이 고이지 않아야 하며 기능 및 절연저항시험에 이상이 생기지 아니하여야 한다. 제12조(절연저항시험) 중계기의 절연된 충전부와 외함간 및 절연된 선로간의 절연저항은 직류 500 V의 절연저항계로 측정하는 경우 20 메가옴(㏁) 이상이어야 한다. 제13조(절연내력시험) 제12조의 규정에 의한 시험부위의 절연내력은 60 헤르츠(㎐)의 정현파에 가까운 실효전압 500 V(정격전압이 60 V를 초과하고 150 V이하인 것은 1000 V, 정격전압이 150 V를 초과하는 것은 정격전압에 2를 곱하여 1000 V를 더한 값을 말한다)의 교류전압을 가하는 시험에서 1분간 견디는 것이어야 한다. 제14조(충격전압시험) 중계기는 전류를 통한 상태에서 다음 각 호의 시험을 15초간 실시하는 경우 잘못 작동하거나 기능에 이상이 생기지 않아야 한다. 1. 내부저항 50 옴(Ω)인 전원에서 500 V의 전압을 펄스폭 1 마이크로 세컨드(㎲), 반복주기 100 헤르츠(㎐)로 가하는 시험 2. 내부저항 50 Ω인 전원에서 500 V의 전압을 펄스폭 0.1 ㎲, 반복주기 100 ㎐로 가하는 시험 제14조의2(충격시험) 중계기는 두께 20 ㎜의 합판에 부착된 상태에서 중계기가 부착된 합판의 반대면에 무게 0.54 ㎏ 직경 51 ㎜의 강철구로 그림1과 같이 진자운동에 의하여 가하는 충격 또는 동일한 무게 및 크기의 강철구를 그림2와 같이 775 ㎜의 높이에서 중계기가 부착된 합판의 반대면에 자유낙하시켜 가하는 충격을 1회 가하는 경우 잘못 작동하지 않아야 하며 구조 및 기능에 이상이 없어야 한다.
제14조의3(진동시험) ① 중계기는 전원이 인가된 상태에서 IEC(International Electronical Commission, IEC) 60068-2-6의 시험방법에 따라 다음 각 호의 규정에 따른 진동을 가하는 경우 진동시험 중 잘못 작동되거나 시험 후 구조 및 기능에 이상이 없어야 한다. 1. 주파수 범위 : 10 ∼ 150 ㎐ 2. 가속도 진폭 : 0.981 m/s2 3. 축수 : 3 4. 스위프 속도 : 1 옥타브/min 5. 스위프 사이클 수 : 축 당 1 ② 중계기는 전원을 인가하지 않은 상태에서 IEC(International Electronical Commission, IEC) 60068-2-6의 시험방법에 따른 다음 각 호의 규정에 따른 진동을 가하는 경우 구조 및 기능에 이상이 없어야 한다. 1. 주파수 범위 : 10 ∼ 150 ㎐ 2. 가속도 진폭 : 4.905 m/s2 3. 축수 : 3 4. 스위프 속도 : 1 옥타브/min 5. 스위프 사이클 수 : 축 당 20 제14조의4(습도시험) ① 중계기는 주위온도 (40 ± 2) ℃, 상대습도 인 조건에서 전원을 인가한 상태로 4일간 방치하는 경우 잘못 작동하지 아니하여야 하며 구조 및 기능에 이상이 없어야 한다. ② 중계기는 주위온도 (40 ± 2) ℃, 상대습도 인 조건에서 전원을 공급하지 않은 상태로 21일간 방치하는 경우 구조 및 기능에 이상이 없어야 한다. 제14조의5(전자파적합성) 중계기는 「전파법」제47조의3제1항 및 「전파법 시행령」제67조의2에 따라 과학기술정보통신부장관이 정하여 고시하는 전자파적합성 기준에 적합하여야 한다.<개정 2017. 12. 6.> 제14조의6(출력전압시험) ① 수신기ㆍ제어반등으로부터 전력을 공급받지 아니하는 방식인 중계기 중 외부 출력부하에 직접 전력을 공급하는 중계기는 주전원이 인가된 상태에서 최대공급부하에 공급하는 출력전압은 다음 각 호에 적합하여야 한다. 1. 출력전압은 출력 설계전압의 ±5 % 이하이어야 한다. 2. 직류전압 출력의 리플(ripple)과 잡음성능은 2 % 피크-피크(파형의 최고값에서 최저값까지의 값을 말한다) 이내이어야 한다. ② 수신기ㆍ제어반등으로부터 전력을 공급받지 아니하는 방식인 중계기 중 외부 출력부하에 직접 전력을 공급하고 예비전원이 설치된 중계기는 최대공급부하에 출력전압을 공급한 상태에서 주전원을 차단하여 예비전원으로 전환하는 경우 주전원 차단시점부터 100 밀리초(ms) 경과 후 예비전원 최대부하공급시간까지의 출력전압은 다음 각 호에 적합 하여야 한다. 1. 출력 설계전압의 -5 %에서부터 +20 %까 지의 범위이어야 한다. 2. 직류전압 출력의 리플과 잡음성능은 2 % 피크-피크 이내이어야 한다. 제14조의7(부하전류 변화에 따른 순간반응시험) 수신기ㆍ제어반등으로부터 전력을 공급받지 아니하는 방식인 중계기 중 외부 출력부하에 직접 전력을 공급하는 중계기는 직류전원 공급 출력단의 부하변화 전류(Ix)를 [그림1] 및 [그림2]와 같이 25 %에서 100 %로 상승 및 100 %에서 25 %로 감소시키는 경우 부하변화 전류(Ix)로 인해 발생하는 최대 출력전압 편차(Vm)는 설계출력전압의 10 % 이내이어야 하며 회복시간(TR)은 20 ms 이내로 하여야 한다.
제15조(시험장치등) 이 규정에서 규정하지 아니한 기능이나 시험장치 등을 중계기에 추가하여 설치하는 경우에는「수신기의 형식승인 및 제품검사의 기술기준」 관련규정을 준용한다. 제16조(표시) 중계기에는 다음 각 호의 사항을 보기 쉬운 부분에 쉽게 지워지지 아니하도록 표시하여야 한다. 다만, 제 14호와 제 16호는 포장 또는 취급설명서에 표시할 수 있다. 1. 종별 및 형식 2. 형식승인번호 3. 제조연월 및 제조번호 4. 제조업체명 또는 상호 5. 취급방법의 개요 및 주의사항(본 내용을 기재하여 중계기 부근에 매어달아 두는 방식도 가능) 6. 극성이 있는 단자에는 극성을 표시하는 기호 7. 방수형 또는 방폭형인 것은 "방수형" 또는 "방폭형"이라는 문자 별도 표시 8. 접속 가능한 회선수, 회선별 접속 가능한 감지기ㆍ탐지부 등의 수량(해당하는 경우에 한정함)<개정 2017. 12. 6.> 9. 주전원의 정격전압 10. 예비전원으로 사용하는 축전지의 종류ㆍ정격용량ㆍ정격전압 및 접속하는 경우의 주의사항 11. 퓨즈 및 퓨즈홀더 부근에는 정격전류 12. 스위치등 조작부 또는 조정부 부근에는 "개" 및 "폐" 등의 표시 13. 출력용량(경종을 접속하는 경우 경종의 소비전류 및 수량) 14. 설치 및 사용방법, 취급상의 주의사항 15. <삭제> 16. 품질보증에 관한 사항(보증기간, 보증내용, A/S방법, 자체검사필증 등) 17. 접속가능한 수신기의 형식번호<개정 2017. 12. 6.> 18. 접속 가능한 감지기 형식번호(해당되는 경우에 한함)<개정 2017. 12. 6.> 19. 접속 가능한 발신기 형식번호(해당되는 경우에 한함)<개정 2017. 12. 6.> 20. 접속 가능한 경종 형식번호(해당되는 경우에 한정함) 21. 접속 가능한 시각경보장치 성능인증번호(해당되는 경우에 한정함) 22. 감지기 입력부의 감시전류 설계범위(해당하는 경우에 한정함) 23. 최대공급부하 및 예비전원 최대부하공급시간(해당하는 경우에 한함) 24. 출력설계전압(해당하는 경우에 한함) 제16조의2(표시내구성) 표시명판에 기재된 표기사항은 다음 각 호의 시험을 실시한 후 알코올에 적신 천 조각을 이용하여 18 뉴턴(N)의 힘으로 문지르는 경우 표기사항이 지워지지 않아야 하며 식별이 가능하여야 한다. 1. 표시명판을 맑은 물에 48시간 동안 담가둘 것 2. 표시명판을 (80 ± 2) ℃의 공기 중에 10일 동안 노출할 것 제17조(시험세칙) 「소방산업의 진흥에 관한 법률」 제14조에 따른 한국소방산업기술원은 이 기준의 운영방법, 형식시험방법 및 제품검사방법 등에 관한 세부사항인 시험세칙을 정하여 소방청장 승인을 받아 운영할 수 있다<개정 2015. 1. 6., 2017. 12. 6.> 제18조(재검토기한) 소방청장은「훈령ㆍ예규 등의 발령 및 관리에 관한 규정」에 따라 이 고시에 대하여 2023년 7월 1일 기준으로 매3년이 되는 시점(매 3년째의 6월 30일까지를 말한다)마다 그 타당성을 검토하여 개선 등의 조치를 하여야 한다.<개정 2015. 3. 17., 2017. 12. 6.> 부칙 <제2024-11호, 2024. 4. 9.> 제1조(시행일) 이 고시는 발령한 날부터 시행한다. 제2조(형식승인에 관한 일반적 경과조치) ① 이 고시 시행 전에 형식승인(형식승인 변경 신청을 포함한다. 이하 같다)을 신청하여 이 고시 시행 당시 그 형식승인 절차가 진행 중인 경우에는 개정규정에도 불구하고 종전의 규정에 따른다. ② 이 고시 시행 전에 종전의 규정에 따라 형식승인을 받은 경우 또는 제1항에 따라 형식승인을 받은 경우에는 이 고시에 따라 형식승인을 받은 것으로 본다. 다만, 이 고시 시행일로부터 1년 이내에 개정규정에 따라 다시 형식승인을 받아야 한다. 제3조(제품검사에 관한 일반적 경과조치) ① 이 고시 시행 전에 제품검사(품질제품검사의 경우에는 합격표시 교부를 말한다. 이하 같다.)를 신청한 경우로서 이 고시 시행 당시 그 검사가 진행 중인 경우에는 개정규정에도 불구하고 종전의 규정에 따른다. ② 부칙 제2조 제1항 및 같은 조제2항 본문에 따라 형식승인을 받은 소방용품에 대한 제품검사는 개정규정에도 불구하고 이 고시 시행일로부터 1년 이내에는 종전의 규정에 따른다.
③ 부칙 제2조제2항 단서에 따른 기간 내에 다시 형식승인을 받지 않은 경우 그 기간이 경과한 날부터 제품검사를 받을 수 없다. [ 출처: 법제처 ] |
|||||
|
|
|||||

